Заказы на запчасти принимаются строго через сайт путем добавления в корзину или лично в магазине.
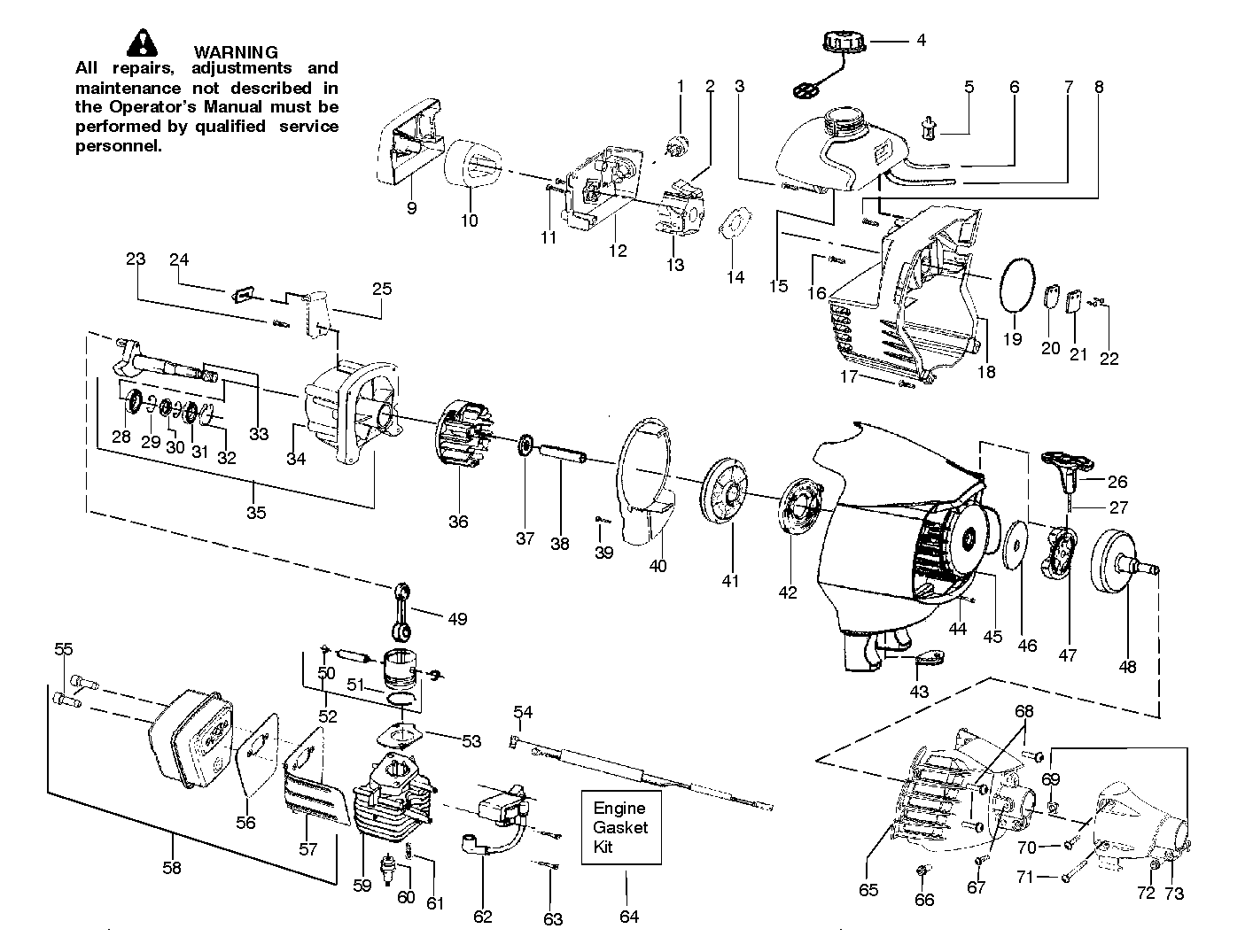
1 ВАЛ, ШТАНГА, РУЧКА ГАЗА, ТРОС ГАЗА, РЕДУКТОР Триммер Partner B320 B
2 ПОРШЕНЬ, ЦИЛИНДР, КАРБЮРАТОР, СТАРТЕР, МАГНЕТО Триммер Partner B320 B