Назад

Заказы на запчасти принимаются строго через сайт путем добавления в корзину или лично в магазине.


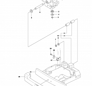
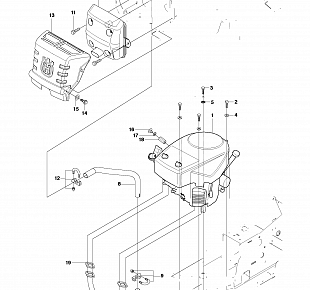
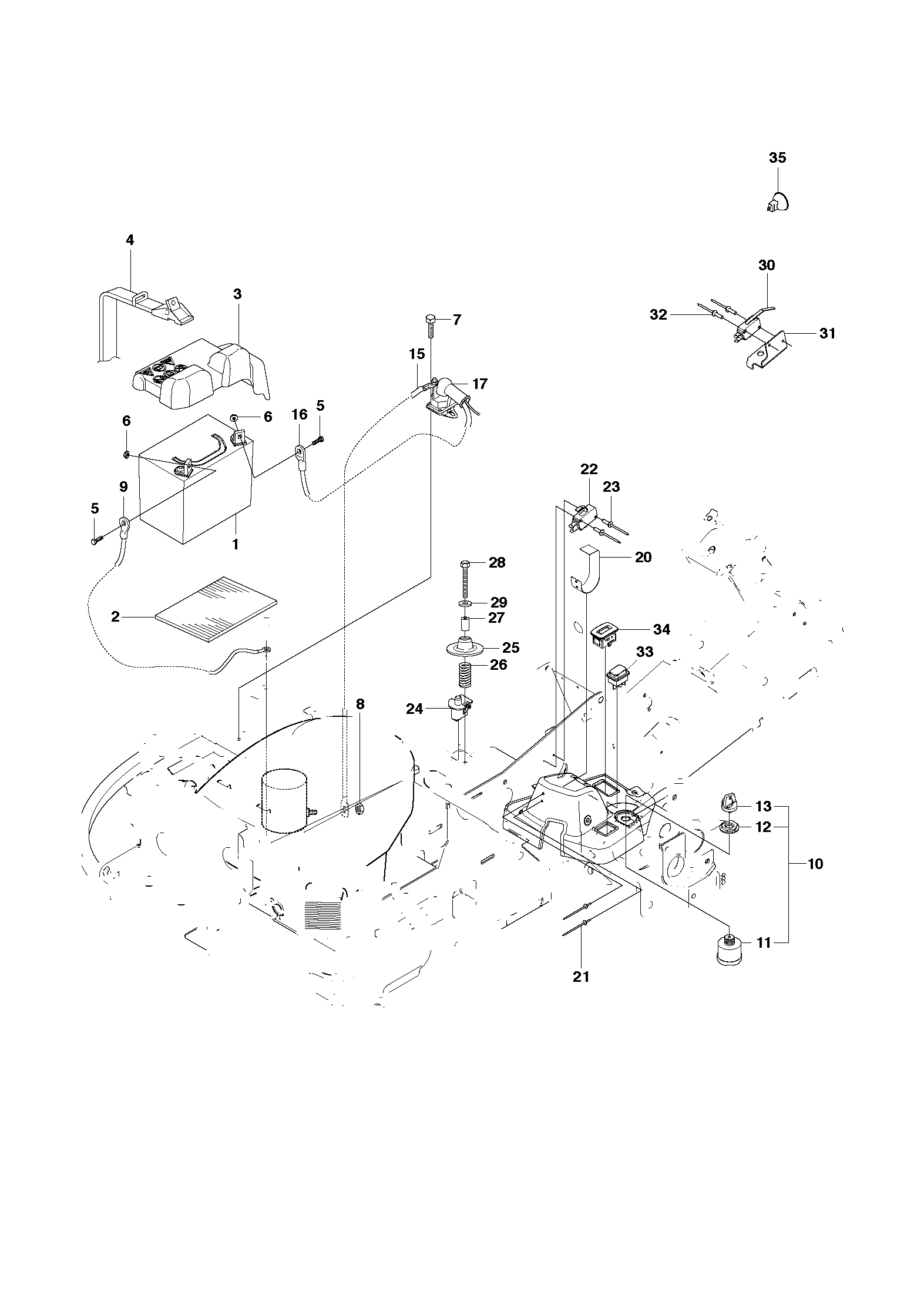
2 ТОПЛИВНАЯ СИСТЕМА Райдер Хускварна R15 T AWD 966414301, 2010-07

Ссылка Артикул Наименование детали (Примечание) Используется штук Цена Кол-во
1 535 50 13-01

FUEL TANK
Используется в агрегатах

1 16694 i
2 544 32 93-01

BRACKET
Используется в агрегатах

1 8420 i
3 732 21 16-01

LOCK NUT
Используется в агрегатах

2 887 i
4 505 19 84-01

Болт
Используется в агрегатах

1 969 i
5 506 67 33-01

TANK CAP ASSY
Используется в агрегатах

1 6680 i
6 504 80 00-03

FUEL HOSE
Используется в агрегатах

1 2821 i
7 535 46 97-01

HOSE BRACE
Используется в агрегатах

2 765 i
8 725 23 64-61

SCREW EHHFT
Используется в агрегатах

1 998 i
9 501 02 03-01

SUPPORT
Используется в агрегатах

1 4444 i
10 725 24 93-71

Винт
Используется в агрегатах

2 1554 i