 |
1 |
577 91 50-01 |
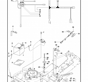
FUEL TANK
Используется в агрегатах
|
1 |
18573 i |
|
|
![]() |
2 |
578 05 38-01 |
BRACKET
Используется в агрегатах
|
1 |
7973 i |
|
|
 |
3 |
732 21 16-01 |
LOCK NUT
Используется в агрегатах
|
1 |
887 i |
|
|
 |
5 |
584 24 87-02 |
HUB CAP
Используется в агрегатах
|
1 |
5012 i |
|
В наличии 1 шт. Обновлено 11.04.2026 (22:32) |
![]() |
6 |
504 80 00-10 |
FUEL HOSE
Используется в агрегатах
|
1 |
2704 i |
|
|
![]() |
7 |
535 46 97-01 |
HOSE BRACE
Используется в агрегатах
|
2 |
765 i |
|
|
 |
8 |
725 23 64-61 |
SCREW EHHFT
Используется в агрегатах
|
1 |
998 i |
|
|
![]() |
10 |
725 24 93-71 |
SCREW EHHM
Используется в агрегатах
|
1 |
1554 i |
|
|
![]() |
11 |
578 26 15-01 |
WIRE
Используется в агрегатах
|
1 |
1642 i |
|
|