Назад

Заказы на запчасти принимаются строго через сайт путем добавления в корзину или лично в магазине.


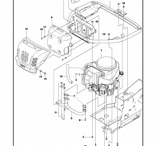
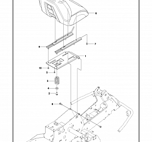
3 ТОПЛИВНАЯ СИСТЕМА Райдер Хускварна R316 T AWD 967291701, 2015

Ссылка Артикул Наименование детали (Примечание) Используется штук Цена Кол-во
1 577 91 50-01

FUEL TANK
Используется в агрегатах

1 18573 i
2 578 05 38-01

BRACKET
Используется в агрегатах

1 7973 i
3 732 21 16-01

Контрогайка
Используется в агрегатах

1 887 i
5 584 24 87-02

Пробка
Используется в агрегатах

1 5012 i
В наличии 1 шт.
Обновлено 11.04.2026 (22:32)
6 504 80 00-10

FUEL HOSE
Используется в агрегатах

1 2704 i
7 535 46 97-01

HOSE BRACE
Используется в агрегатах

2 765 i
8 725 23 64-61

SCREW EHHFT
Используется в агрегатах

1 998 i
10 725 24 93-71

Винт
Используется в агрегатах

1 1554 i
11 578 26 15-01

WIRE
Используется в агрегатах

1 1642 i