![]() |
1 |
535 47 54-02 |
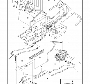
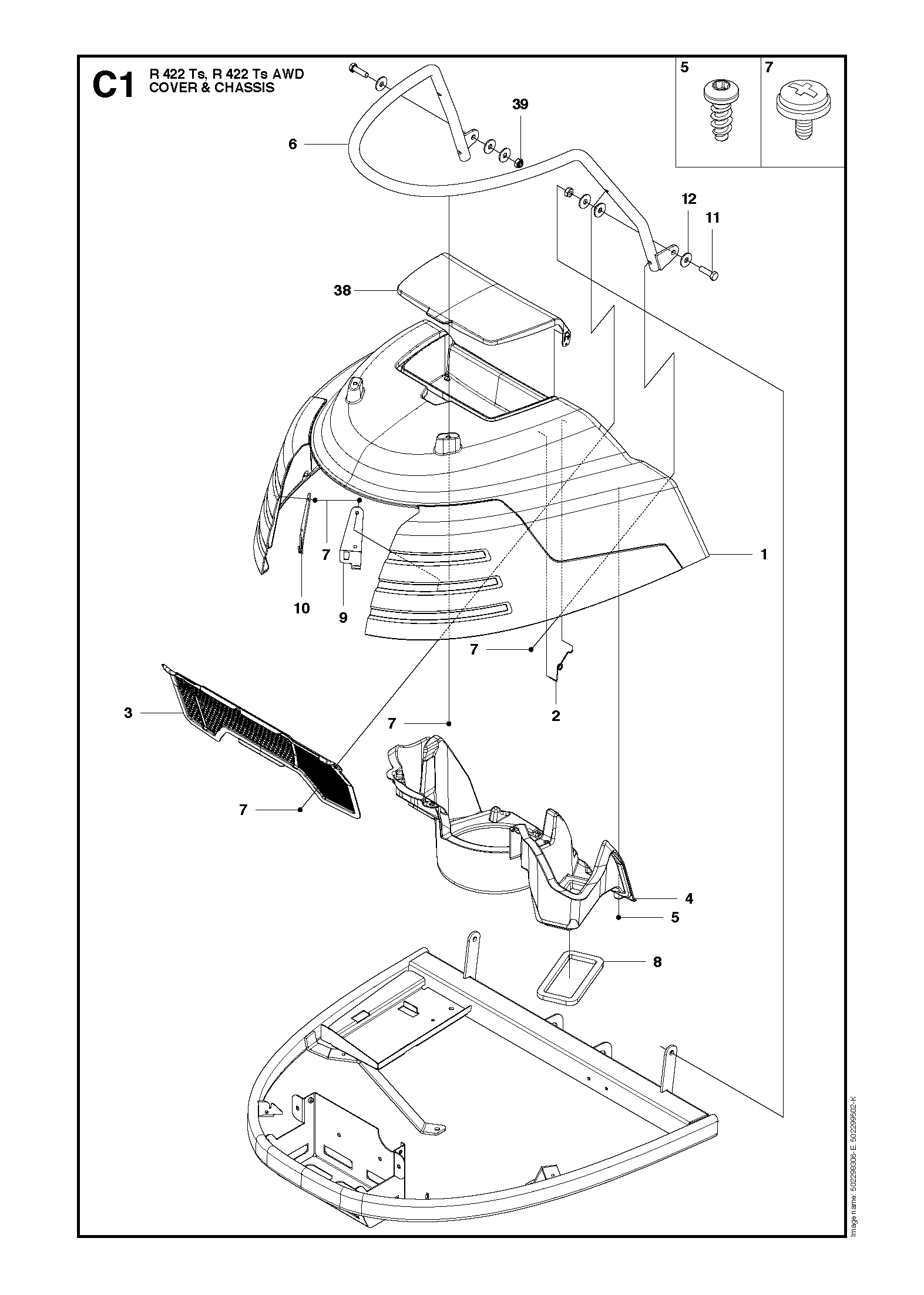
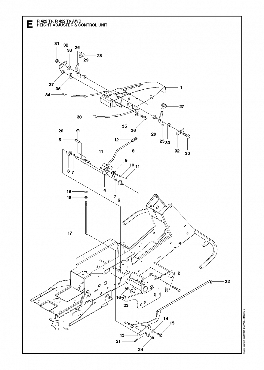
CONTROL PLATE
Используется в агрегатах
|
1 |
95733 i |
|
|
 |
2 |
725 24 51-71 |
Винт
Используется в агрегатах
|
3 |
1494 i |
|
|
![]() |
4 |
506 78 45-02 |
CONTROL LEVER
Используется в агрегатах
|
1 |
5048 i |
|
|
![]() |
5 |
506 78 46-01 |
PEN
Используется в агрегатах
|
1 |
1106 i |
|
|
![]() |
6 |
584 87 13-02 |
BEARING
Используется в агрегатах
|
2 |
1586 i |
|
|
![]() |
7 |
735 31 22-20 |
E-CLIP
Используется в агрегатах
|
2 |
751 i |
|
В наличии 1 шт. Обновлено 11.04.2026 (23:07) |
![]() |
8 |
506 78 47-01 |
REGLERSPAK KPL.
Используется в агрегатах
|
1 |
7745 i |
|
|
![]() |
9 |
506 53 14-01 |
SPRING
Используется в агрегатах
|
1 |
1462 i |
|
|
![]() |
10 |
506 53 15-01 |
SHAFT
Используется в агрегатах
|
1 |
1432 i |
|
|
 |
11 |
735 31 09-20 |
Стопорное кольцо
Используется в агрегатах
|
2 |
734 i |
|
|
![]() |
12 |
588 16 41-01 |
Набалдашник рычага
Используется в агрегатах
|
1 |
2250 i |
|
|
![]() |
13 |
502 63 63-01 |
LINK
Используется в агрегатах
|
1 |
2438 i |
|
|
 |
14 |
584 28 86-04 |
WASHER
Используется в агрегатах
|
1 |
1113 i |
|
|
![]() |
15 |
725 24 53-71 |
SCREW EHHM
Используется в агрегатах
|
1 |
1494 i |
|
|
 |
16 |
732 21 16-01 |
Контрогайка
Используется в агрегатах
|
1 |
887 i |
|
|
![]() |
17 |
506 85 45-01 |
HEIGHT ROD
Используется в агрегатах
|
1 |
3878 i |
|
|
 |
18 |
731 23 18-01 |
Гайка
Используется в агрегатах
|
1 |
1086 i |
|
|
 |
19 |
734 11 72-01 |
Шайба
Используется в агрегатах
|
1 |
912 i |
|
|
 |
20 |
732 21 18-01 |
Контргайка
Используется в агрегатах
|
1 |
987 i |
|
В наличии 2 шт. Обновлено 12.04.2026 (00:03) |
 |
21 |
721 61 83-01 |
SPLIT PIN
Используется в агрегатах
|
1 |
733 i |
|
|
![]() |
22 |
502 63 64-02 |
CONNECTOR
Используется в агрегатах
|
1 |
11880 i |
|
|
 |
23 |
506 59 74-01 |
SCREW EHHFM
Используется в агрегатах
|
1 |
1536 i |
|
|
 |
24 |
731 23 18-01 |
Гайка
Используется в агрегатах
|
1 |
1086 i |
|
|
![]() |
25 |
506 86 59-03 |
CONTROL
Используется в агрегатах
|
1 |
2685 i |
|
|
![]() |
26 |
506 86 59-04 |
CONTROL
Используется в агрегатах
|
1 |
1769 i |
|
|
![]() |
27 |
506 88 91-01 |
KNOB
Используется в агрегатах
|
1 |
1647 i |
|
|
 |
28 |
506 88 91-02 |
KNOB
Используется в агрегатах
|
1 |
1527 i |
|
|
![]() |
29 |
506 88 89-01 |
BUSHING
Используется в агрегатах
|
2 |
1463 i |
|
|
![]() |
30 |
725 23 74-71 |
Винт
Используется в агрегатах
|
1 |
1034 i |
|
|
 |
31 |
732 21 16-01 |
Контрогайка
Используется в агрегатах
|
1 |
887 i |
|
|
![]() |
32 |
506 92 85-02 |
LOCKWASHER
Используется в агрегатах
|
2 |
850 i |
|
|
 |
33 |
506 83 94-01 |
SPRING WASHER
Используется в агрегатах
|
2 |
1039 i |
|
|
![]() |
34 |
506 86 39-08 |
THROTTLE CABLE ASSY
Используется в агрегатах
|
1 |
4051 i |
|
|
![]() |
35 |
506 50 82-01 |
CLIP
Используется в агрегатах
|
2 |
780 i |
|
|
![]() |
36 |
725 23 35-51 |
SCREW EHHM
Используется в агрегатах
|
1 |
970 i |
|
|
 |
37 |
732 21 14-01 |
Гайка стопорная
Используется в агрегатах
|
1 |
854 i |
|
|
![]() |
38 |
506 86 39-09 |
THROTTLE CABLE ASSY
Используется в агрегатах
|
1 |
4051 i |
|
|