Назад

Заказы на запчасти принимаются строго через сайт путем добавления в корзину или лично в магазине.


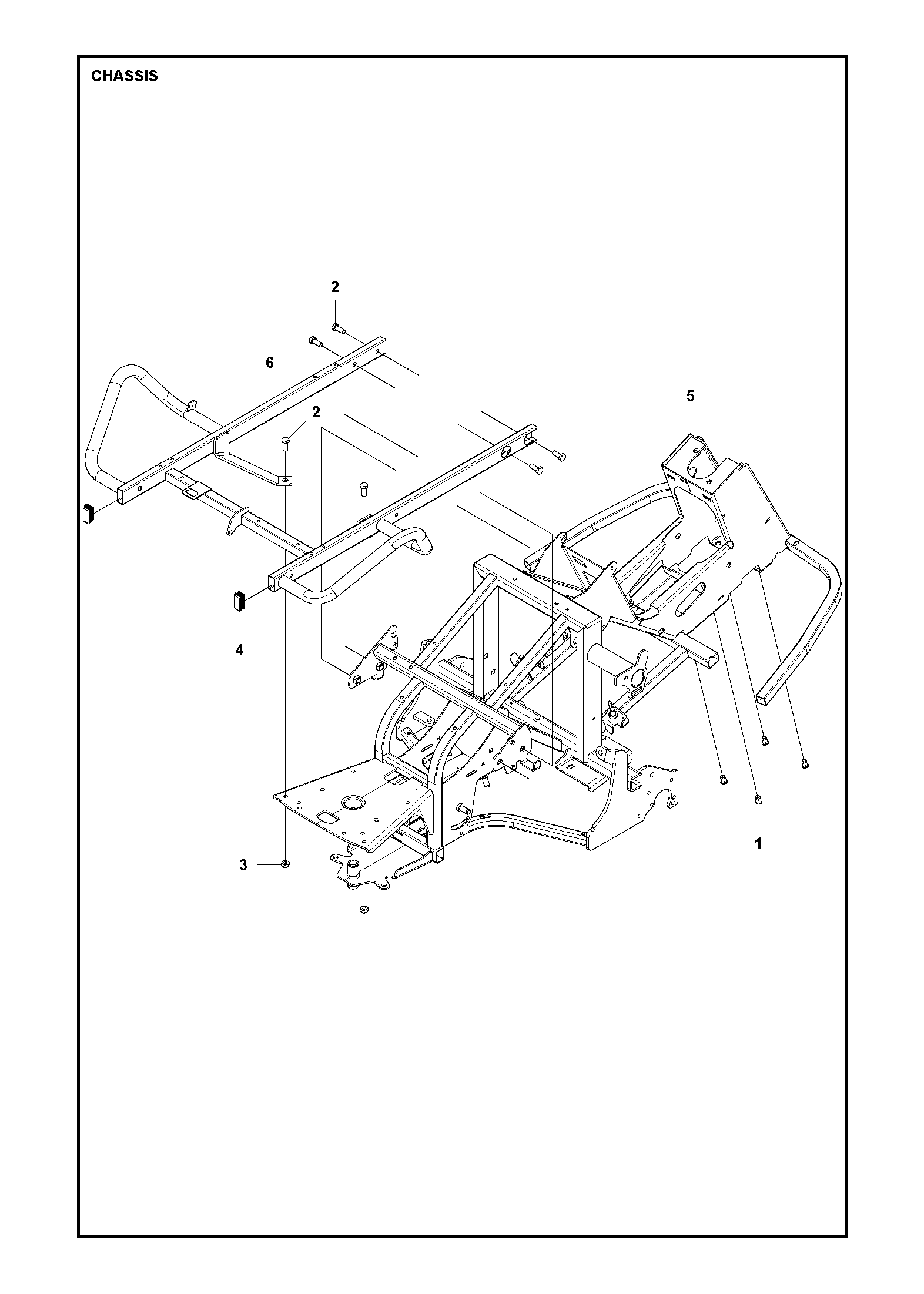
4 ТОПЛИВНАЯ СИСТЕМА Райдер Хускварна RC 320Ts AWD 967628801

Ссылка Артикул Наименование детали (Примечание) Используется штук Цена Кол-во
1 506 57 01-06

SCREW EHHFM
Используется в агрегатах

2 1554 i
2 576 43 42-01

HEXAGON NUT
Используется в агрегатах

2 1528 i
3 732 21 16-01

Контрогайка
Используется в агрегатах

1 887 i
4 504 80 00-09

FUEL HOSE
Используется в агрегатах

1 2880 i
5 535 46 97-01

HOSE BRACE
Используется в агрегатах

2 765 i
6 579 31 74-01

Заглушка
Используется в агрегатах

1 780 i
7 506 57 01-04

Винт
Используется в агрегатах

2 1647 i
В наличии 2 шт.
Обновлено 11.04.2026 (23:32)
8 501 10 40-01

FUEL TANK
Используется в агрегатах

1 18573 i
9 577 76 45-01

LOCKING NUT
Используется в агрегатах

1 2648 i
10 584 24 87-02

Пробка
Используется в агрегатах

1 5012 i
В наличии 1 шт.
Обновлено 11.04.2026 (22:32)
11 589 24 06-01

BRACKET
Используется в агрегатах

1 4418 i
12 578 26 15-02

WIRE
Используется в агрегатах

1 2741 i
13 589 21 40-01

BRACKET
Используется в агрегатах

1 4136 i