Назад

Заказы на запчасти принимаются строго через сайт путем добавления в корзину или лично в магазине.


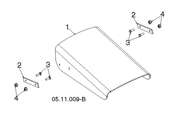
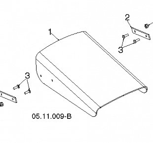
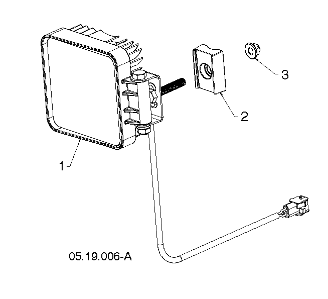
15 ДЕТАЛИ ПРИВОДА Снегоуборщик Хускварна ST 430T 96193013401 2019-04

Ссылка Артикул Наименование детали (Примечание) Используется штук Цена Кол-во
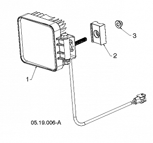
1 590 07 13-01

LIGHT
Используется в агрегатах

1 12009 i
В наличии 1 шт.
Обновлено 03.04.2026 (07:52)
2 590 43 98-01

MOUNTING BRACKET
Используется в агрегатах

1 1529 i
3 594 94 44-01

Гайка >>> 595 08 66-01
Используется в агрегатах

1 912 i